Aproximación a una infraestructura acorde a las nuevas realidades.
En el número anterior se publicó el artículo: “Una Infraestructura y Servicios Tecnológicos adecuados en tiempos de pandemia (primera parte)” en el cual se desarrollaron los criterios generales, aquí vamos más allá en los aspectos técnicos.
La disminución, detección y prevención de fallas de los sistemas asociados a equipamientos electrónicos de telecomunicaciones, seguridad, control de acceso y otros, en Salas de Equipamiento y Centros de Datos es fundamental en periodos de aislamiento social. Es posible asegurar que los servicios se ven condicionados por la infraestructura de los mismos. Es importante monitorear los suministros eléctricos, protecciones y otros parámetros que pudieran ser prioritarios para el correcto funcionamiento de los sistemas.
Los inconvenientes por causas de fallas por cortes del servicio eléctrico pueden ser cubiertos con el uso de entradas de servicio adicionales o por el uso de acumuladores y/o UPSs. Los inconvenientes causados por instalaciones no adecuadas de los sistemas, sobretensiones generadas por equipamiento en el mismo ambiente y efectos no determinados por la instalación misma pueden ser evitados.
Los eventos no dependientes de la operación de la instalación y citados anteriormente están vinculados con los fenómenos astmosféricos o por inferencia de otros sistemas eléctricos y/o electrónicos.
Defectos en instalaciones.
Protecciones rápidas de sobrecorriente inadecuadas.
Es muy importante que los fusibles de la instalación eléctrica sean dimensionados o reemplazados cuando es requerido por sus valores apropiados. La corriente de interrupción de los fusibles no debe ser menor que los valores de las protecciones termo magnéticas en los circuitos derivados o a la entrada de tableros de Sala de Equipamiento. Así también las protecciones de sobrecorriente deben ser dimensionados de manera tal que su corriente de falla sea mayor o igual a las corrientes de falla de línea. Su dimensionamiento o reemplazo inadecuado o alteraciones pueden general explosiones peligrosas.
Si se utilizan barras de tomas en racks (PDUs) con protección termomagnética, debe chequearse que la corriente de cortocircuito sea correcta. Sin embargo mi recomendación en Salas de Equipamiento con uno o unos pocos racks instalados es tener un Tablero de distribución de energía ininterrumpida con las protecciones convenientes, como se describirá más adelante.
Es recomendable en instalaciones preexistentes realizar un chequeo o tener un protocolo que permita verificar estas situaciónes luego de períodos de tiempo.
Protecciones de sobretensiones transitorias.
Generalmente muchos profesionales no comprenden los fenómenos asociados a los picos de tensión transitorios. Una de las principales causas de ello es a la idealización de los sistemas y sus partes. No contemplándose los efectos que se producen en los circuitos debido a picos de tensión que poseen una gran energía y un amplio espectro. Muchas veces inclusive se piensa que una UPS garantiza una inmunidad a los transitorios de tensión pero no es así. Las sobre tensiones transitorias también pueden inducirse por medio de estructuras metálicas, cañerías y/o cableados que no estén correctamente aterrados, trenzados o protegidos.
Muchas veces se confunde, debido a una idealización de los sistemas, las sobretensiones permanentes de las tensiones transitorias. Ambas poseen un origen diferente, causas y consecuencias distintas. Las sobre tensiones permanentes, dentro de un rango aceptable pueden ser reguladas por medio de la utilización de UPSs. Pero, es un error conceptual pensar que esta protegerá las sobre tensiones transitorias.
Existen tres niveles y dos zonas de protección contra rayos y sobretensiones transitorias. Las soluciones deben ir acompañadas por tierras de protección y de telecomunicaciones además de los dispositivos para supresión de transitorios de tensión. Estos dispositivos se los suele llamar en el mercado como: MOV, SPD, DPS, Supresores de tensión, Surge protectors, etc…
En este artículo nos centramos en pequeños edificios, oficinas que posean una Sala de Equipamiento. Situación típica en instituciones, organismos estatales distribuidos, organizaciones con representaciones regionales, etc…
Un protector Tipo I de sobretensiones transitorias deben ser instalados a la entrada de energía, en el Tablero Principal del inmueble. Los protectores Tipo II en los tableros de distribución y de Sala de Equipamiento. Según las distancias entre estas protecciones y tableros más alejados puede requerirse de la coordinación de protecciones. A su vez el dimensionamiento del dispositivo y por ende su selección debe ser calculada de acuerdo a las condiciones climáticas particulares de la zona y las características del equipamiento a proteger.
Algunas reglamentaciones recomiendan el uso de estas protecciones en función del equipamiento a proteger y de su función. Como sabemos los sistemas de telecomunicaciones, tienen un rol fundamental en los procedimientos y situaciones de riesgo. Si bien la tendencia es a contar con sistemas de control y supervisión, la acción humana es muy importante, más todavía a la hora de evaluar los riesgos y situaciones. Como es obvio también, en situaciones de catástrofes o posibilidades de falla, convierten al hombre y la mujer en protagonistas requiriendo de los sistemas de comunicaciones para la alerta temprana, coordinación, etc. La infraestructura debe ser proyectada acorde a dicha realidad. Debe haber una responsabilidad en cuanto a que las telecomunicaciones y demás sistemas de seguridad funcionen en situaciones adversas.
Las estadísticas mencionan que la mayoría de las organizaciones se desconoce la utilidad y la relación del costo de estas protecciones frente a las pérdidas de servicio y destrucción de equipamiento. Ante dicha situación es necesario realizar una concientización y acciones al respecto sobre todos en aéreas y territorios de alto riesgo.
Estándares como las NEC establecen que los sistemas de seguridad, salud, sistemas contra incendio requieren de protecciones contra sobretensiones transitorias. Los protectores contra sobretensiones deberían garantizar la no generación de humo o explosiones.
Sistemas de equipotencialidad y puesta a tierra
Uno de los sistemas de salvaguarda fundamentales para los usuarios es la tierra eléctrica de protección. Debe chequearse la instalación de puesta a tierra del inmueble, todas las canalizaciones y partes metálicas de la instalación fuera de la Sala de Equipamiento. Estas deben estar equipotenciadas a esta tierra. La función es doble, la de protección de los usuarios y técnicos de mantenimiento, además de la protección por interferencia a cableados de señales débiles y/o telecomunicaciones.
Recordemos que todos estos comentarios están desarrollados para una temática de oficinas distribuidas geográficamente con un equipamiento esencial instalado en cada una de ellas. Estructura común en muchas oficinas estatales y empresas regionalizadas. La Sala de Equipamiento deberá contener todo el equipamiento electrónico central de la oficina regional. Todas las partes metálicas como ser canalizaciones, equipamiento y gabinetes deberán estar conectados a esta tierra para su equipotencialización. La tierra eléctrica de los tomas de energía deberán ser conectados a la tierra de protección eléctrica. Este circuito de tierra es independiente de la Tierra de Telecomunicaciones.
La tierra para equipamiento está conformada por: el sistema de jabalina de puesta a tierra principal del inmueble, o jabalinas independientes ofreciendo una baja impedancia de puesta tierra. De allí por medio de un cable se conectará a una Barra de Tierra General ( o TMGB – Telecommunications Main Grounding Bar) desde esta debe extenderse un conductor de tierra de equiponcialización hasta una barra de tierra en la Sala de Equipamiento. Esta barra es denominada bajo las siglas TGB. Como se describió anteriormente a través de esta barra todos los dispositivos, gabinetes, racks, canalizaciones y otras partes metálicas deben ser conectadas en estrella a esta barra utilizando un cable verde y amarillo de 6 AWG o con un conductor de 16 mm2.

El equipamiento electrónico es diseñado para ser instalado y utilizado en entornos donde se encuentran instaladas estas soluciones tecnológicas bajo los estándares de telecomunicaciones. Su instalación defectuosa condiciona la vida útil de los sistemas como así también las fallas permanentes o funcionamiento errático de los sistemas.
Debe comprenderse que la Tierra de Equipotencialización no tiene como finalidad el drenaje de corrientes de fuga.
Es adecuado todo el equipamiento este contenido en racks. Se debe garantizar que los mismos se encuentren solidariamente conectados a la tierra de telecomunicaciones. Cada rack debe tener su propia barra de tierra en su interior y cada equipo debe ser conectado a la misma por medio de su borne de conexión.

Evitar accidentes en un ambiente restringido y en época de distanciamiento social.
Cada vez son más comunes, sobre todo en instalaciones realizadas en edificios reutilizados las canalizaciones a la vista. Hay soluciones económicas y versátiles que llevan los cableados en bandejas metálicas para cableados por sobre el nivel de circulación de las personas y por debajo del cielo raso. Donde los cableados a las cajas de conexiones de los puestos de trabajo se canalizan con canales y/o cañerías. Debe prestarse atención a que dichos canales en sus tramos descendentes y al acceso de las personas tengan características tales que no promuevan la deposición de virus o compliquen su desinfección. Esta solución en si misma, frente al uso de canales a la altura de escritorios evita notablemente esta deposición.
Es sumamente importante que las instalaciones tengan disyuntores. No en todas las regiones son obligatorios, sin embargo deben ser utilizados para evitar inconvenientes que puedan terminar en emergencias médicas. Recuérdese la necesidad de no saturar los hoteles y asistencias medicas.
En las instalaciones de oficinas y representaciones deben tener disyuntores en cada circuito esencial a la salida de la UPS. Las UPS no poseen un interruptor interno que actúe ante corrientes residuales es por ello que es necesario la existencia de disyuntores superinmunizados clase B.
Suministro y distribución de energía en la Sala de Equipamiento
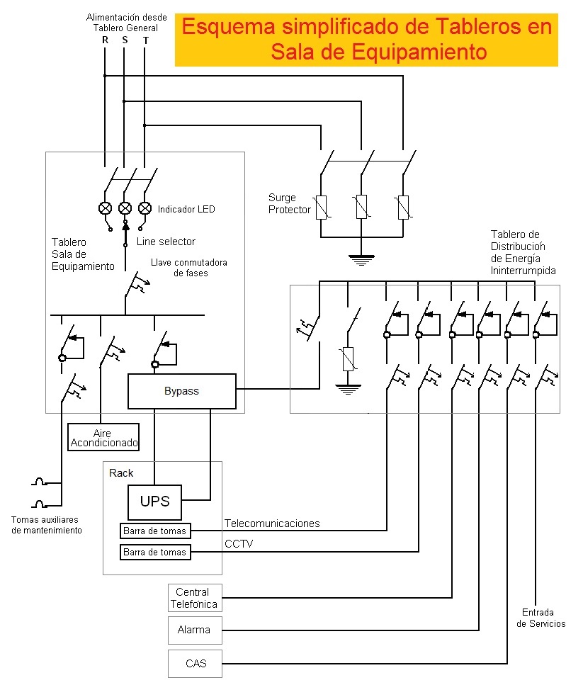
El suministro eléctrico dentro de la Sala de Equipamiento debe estar controlado y seccionado por lo menos dos tableros eléctricos. Uno al cual denominaremos “Tablero de Sala de Equipamiento” y un «Tablero de Distribución de Energía Ininterrumpida». Para la mayoría de estas aplicaciones es conveniente utilizar una UPS monofásica online. Por cuestiones de seguridad y continuidad del suministro se considera también óptimo alimentar el Tablero de Sala de Equipamiento con una línea trifásica y tener en el mismo un selector de fase. De esta manera, si se produjera una falla en una fase, personal no profesionalizado podría cambiar de fase ante un problema en una de ellas. Así también a la entrada podría ser recomendable poseer un protector contra sobretensiones transitorias de para protección trifásica y neutro. ¿Por qué motivo?, porque en determinadas regiones no es sencillo adquirir los cartuchos de repuesto para estas protecciones, y su sustitución debe ser realizada por personal técnico calificado. Con lo cual con esta configuración cambiando solo de fase podremos cambiar a un circuito debidamente protegido en caso que en la fase existente la protección este agotada. Téngase en cuenta que este tipo de maniobras también podrían ser automatizadas o telecomandadas, según necesidad. Tema que analizaremos en el próximo número de TECNOLOGIA HUMANIZADA.
El tablero de Sala de Equipamiento debe tener un circuito de protección independiente para cada circuito. Por ejemplo para: el aire acondicionado, tomas de mantenimiento y UPS/Bypass. Independientemente de que las UPSs cuenten con sistema de bypass es recomendable contar con un sistema de rodeo eléctrico externo. De esta manera, si es requerido retirar la UPS para reparación no hará falta hacer conexiones eléctricas indeseables, sino solo unas pocas operatorias de conmutación. No teniendo imprevistos.
La salida del circuito de rodeo de la UPS deberá alimentar un Tablero de Distribución. Es muy aconsejable en este tablero utilizar un disyuntor de corrientes de fuga independiente y llave termomagnética al menos para cada sistema a alimentar. De esta forma una falla en un sistema no afectará a los otros.
Tengamos en cuenta que para muchas de estas oficinas comerciales o gubernamentales no poseen personal técnico especializado las 24hrs, por lo tanto las medidas a tomarse deben ser prudentes para tener un impacto mínimo en el servicio y una operación no calificada de emergencia sin ningún riesgo. Su comando podrá ser totalmente automatizado o telecomandado.
Debe analizarse una solución de monitoreo o testeo automático de las instalaciones, sus parámetros y protecciones. Y que a su vez esta envié un reporte al personal u oficina técnica con una descripción de la falla. Haciendo posible prever los reemplazos e insumos a ser requeridos, y disminuir los viajes, imprevistos y exposiciones del personal esencial calificado.
Lee la tercera parte de esta nota: Monitoreo de infraestructura eléctrica para sistemas electrónicos en tiempos de aislamiento social.



Sé el primero en comentar